Вернуться   Форум Экскаватор РУ > Спецтехника > Мануалы, инструкции по эксплуатации, программы диагностики для всех видов техники > Поиск технической документации
Забыли пароль? Регистрация

Внимание! Данный раздел создан для обмена документацией, а не ее продажи. При поступлении жалоб на продавцов документов их аккаунты блокируются. Но в связи с большим числом обманутых покупателей, обращаем внимание, что блокировка по ip не мешает этому же человеку вновь зарегистрироваться, используя другой ip. Защитите себя от мошенников - не перечисляйте им деньги.

Также обращаем ваше внимание, что администрация форума (включая модераторов) не продает тех.документацию, запчасти или технику. Если пользователь форума предлагаем вам товар от лица администрации форума, то он - мошенник.

Ответить
Опции темы
Поиск в этой теме

Расширенный поиск
  #41  
Старый 22.03.2011, 11:15
Новичок
Сообщений: 4
Нужны каталоги запчастей на hyundai

Нужны каталоги запчастей на hyundai
взамен могу выслать описания инструкции оператора и о ремонту
а также много чего на другую технику

Ответить с цитированием
  #42  
Старый 22.03.2011, 11:27
VIP
Адрес: pdf.engine@gmail.com
Сообщений: 446
Цитата:
Сообщение от СергейCK Посмотреть сообщение
Нужны каталоги запчастей на hyundai
взамен могу выслать описания инструкции оператора и о ремонту
а также много чего на другую технику
Есть каталоги на весь ряд техники HYUNDAI по состоянию на 2010 год. Все в PDF.
Для какой техники документы по ремонту у вас???

Ответить с цитированием
  #43  
Старый 23.03.2011, 08:29
Новичок
Сообщений: 4
Есть следующее

Есть следующие инструкции по ремонту в PDF
R55-3 R55-7 R55-7A
R55-9
R80-7 R80-7A R110-7 R110-7A
R130LC-3 R140LC-7 R140LC-7A R140LC-9
R160LC-3 R160LC-7 R160LC-7A
R145CR-9
R180LC-3 R180LC-7 R180LC-7A R160,180LC-9
R210LC-3 R210LC-7 R210LC-7A R210LC-9
R210NLC-7 R210NLC-7A R210NLC-9
R210,220LC-7H R210LC-7(#8001-) R210LC-7H(#9001-)
R235LCR-9
R250LC-3 R250LC-7 R250LC-7A R250LC-9
R290LC-3 R290LC-7 R290LC-7A R290LC-9
R300LC-7 R305LC-7 R370LC-7

R320LC-3 R320LC-7 R320LC-7A R320LC-9
R360LC-3 R360LC-7 R360LC-7A
R380LC-9
R450LC-3 R450LC-7 R450LC-7A
R480,520LC-9
R500LC-7 R500LC-7A
R800LC-7A


R95W-3 R55W-7 R55W-7A
R55W-9
R130W-3 R140W-7 R140W-7A
R140W-9
R170W-3 R170W-7 R170W-7A R170W-9
R200W-3 R200W-7 R200W-7A R210W-9

HL720-3
HL730-3
HL730TM-3 HL730(TM)-7 HL730(TM)-7A
HL740-3(~#0847)
HL740TM-3(~#0250)
HL740(#0848~)/740TM-3(#0251~) HL740(TM)-7 HL740(TM)-7A
HL750 HL757-7 HL757(TM)-7A
HL750TM HL757TM-7
HL760(#1001~#1301) HL760-7 HL760-7A

HL760(#1302~)
HL770(#1001~#1170)
HL770-7
HL770-7A

HL770(#1171~)
HL780-3 HL780-3A
HL780-7A






HL730(TM)-9
HL760-9


HL740(TM)-9 HL770-9



HL757(TM)-9
HL780-9



YANMAR 4TNE94, 98, 106 MITSUBISHI L2(A,B,E), L3(A,B,E)

YANMAR 4TNV94L
MITSUBISHI S6S-T
YANMAR TNV SERIES-ECM MITSUBISHI SL, SM
YANMAR FUEL INJECTION MITSUBISHI D04FD-TAA
YANMAR TNV ELEC T-SHOOTING MITSUBISHI L-SERIES

YANMAR TNV-Series Service Tool Manual
MITSUBISHI SL-SERIES
KUBOTA V3300
LPG & BI-FUEL IMPCO S/MANUAL
KUBOTA V3600
GM 4.3L
KUBOTA V2203M-E3B CUMMINS QSB4.5 & 6.7

KUBOTA V3307DI-E3B


KUBOTA Operator's manual

HYUNDAI D6A CUMMINS ENGINE ELE CIRCUIT
HYUNDAI D6B IVECO F4GE
HYUNDAI L4GC
IVECO Operator's manual
HYUNDAI D4DA

Ответить с цитированием
  #44  
Старый 23.03.2011, 09:07
VIP
Адрес: pdf.engine@gmail.com
Сообщений: 446
Это не нужно.
см. личку

Ответить с цитированием
  #45  
Старый 25.03.2011, 06:28
Новичок
Сообщений: 49
Каталоги на HYUNDAI на что меняем?
Или только продажа?

Ответить с цитированием
  #46  
Старый 25.03.2011, 07:13
VIP
Адрес: pdf.engine@gmail.com
Сообщений: 446
Цитата:
Сообщение от Tehnik Посмотреть сообщение
Каталоги на HYUNDAI на что меняем?
Или только продажа?
Если обмен то только на:
- Volvo Samsung (любая документация)
- Volvo Zettelmayer (любая документация)
- Мобильные краны Kobelco (любая документация)
- Atlas Terex (только обслуживание или ремонт экскаваторов)
- Furukawa экскаваторы (любая документация)
- ZEPPELIN экскаваторы (любая документация)
- Экскаваторы TEREX O&K (любая документация)
- Экскаваторы P&H (любая документация)


Образец каталога HYUNDAI прикрепил

p.s. Список конечно не полный, но это то что заинтересует на 100%.
Документация для Hitachi, JCB, NEW Holland, Komatsu, Case, Daewoo, Bobcat - не нужна.
Вложения
Тип файла: zip example R320LC-7 Parts catalog.zip (190.2 Кб, 2555 просмотров)

Ответить с цитированием
  #47  
Старый 30.03.2011, 16:50
VIP
Профессия: Механик
Адрес: Питер
Сообщений: 584
Инструкция оператора для хендая 160

Собственно если не жалко. 160LC-3 Махнуть не на что! но очень нужно.

Ответить с цитированием
  #48  
Старый 03.04.2011, 14:52
Новичок
Сообщений: 25
Нет еще!!!

Ответить с цитированием
  #49  
Старый 19.06.2011, 20:12
Новичок
Аватар для jema_85
Сообщений: 1
Диагностика

Куплю софт для диагностики Хундаев-7 и 7А серий!!!


Последний раз редактировалось jema_85; 24.06.2011 в 19:13..
Ответить с цитированием
  #50  
Старый 04.07.2011, 14:23
SLD SLD вне форума
Новичок
Сообщений: 21
Чертеж ковша

Есть ли у кого чертеж ковша на Хюндай 500lc7

Ответить с цитированием
  #51  
Старый 04.07.2011, 15:35
VIP
Сообщений: 300
Лучше купи б/у от другой машины данного класса.

Ответить с цитированием
  #52  
Старый 09.11.2011, 15:29
VIP
Профессия: гидравлик
Адрес: моск обл
Сообщений: 586
Хендай 320

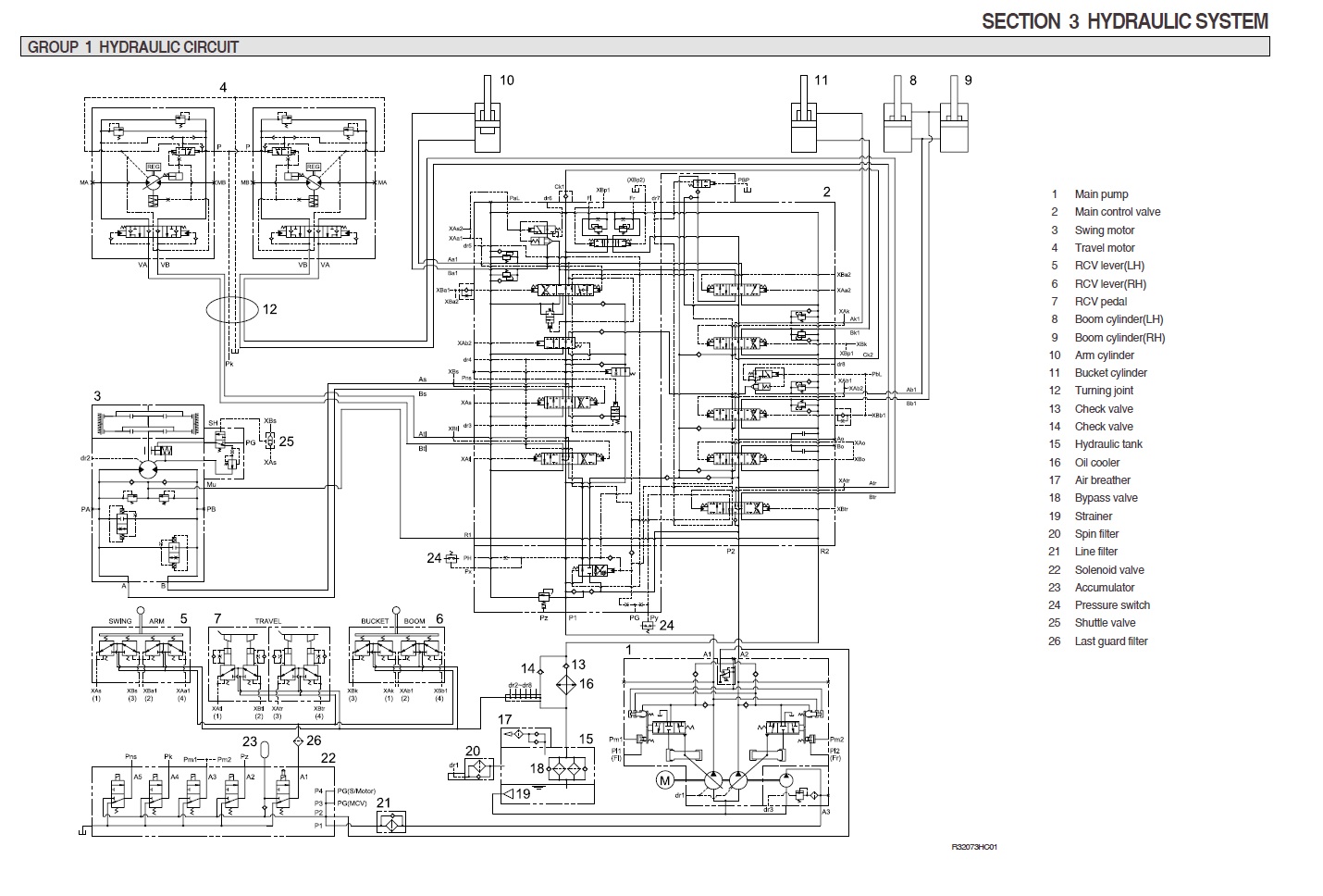
Прошу помощи в поиске гидросхемы на данный экскаватор: Хендай 320
__________________
Диагностика и наладка гидравлики 9104711790

Ответить с цитированием
  #53  
Старый 09.11.2011, 17:21
VIP
Адрес: pdf.engine@gmail.com
Сообщений: 446
Цитата:
Сообщение от dimm Посмотреть сообщение
Прошу помощи в поиске гидросхемы на данный экскаватор: Хендай 320
Ну вы хотьбы модель точно написали.
Существует по крайней мере пять модификаций этих машин

Ответить с цитированием
  #54  
Старый 11.11.2011, 10:18
VIP
Сообщений: 253
Цитата:
Сообщение от dimm Посмотреть сообщение
Прошу помощи в поиске гидросхемы на данный экскаватор: Хендай 320
Если речь о R320LC-7, то смотрите вложение!
Нажмите на изображение для увеличения
Название: г-схема.jpg
Просмотров: 3545
Размер:	320.6 Кб
ID:	1487  

Ответить с цитированием
  #55  
Старый 11.11.2011, 18:25
VIP
Профессия: гидравлик
Адрес: моск обл
Сообщений: 586
Да это он. спасибо
__________________
Диагностика и наладка гидравлики 9104711790

Ответить с цитированием
  #56  
Старый 30.11.2011, 11:56
Новичок
Сообщений: 14
Hyundai Robex 1300

Ищу тех документацию, каталог Hyundai Robex 1300W 3

Ответить с цитированием
  #57  
Старый 30.11.2011, 19:06
Новичок
Сообщений: 3
Нужна электросхема на экскаватор HYUNDAI Robex 170W-7A

Всем привет!Может есть у кого схема электропроводки на экскаватор HYUNDAI Robex 170W-7A.ЗАРАНЕЕ БЛАГОДАРЕН!!!!

Ответить с цитированием
  #58  
Старый 30.11.2011, 21:57
Banned
Сообщений: 37
Цитата:
Сообщение от jema_85 Посмотреть сообщение
Куплю софт для диагностики Хундаев-7 и 7А серий!!!
купил?

Ответить с цитированием
  #59  
Старый 02.12.2011, 08:32
Новичок
Сообщений: 22
Есть Service Manual на этот экскаватор

Ответить с цитированием
  #60  
Старый 24.02.2012, 05:08
Новичок
Профессия: диагност
Сообщений: 1
Компьютерная диагностика Hyundai R160

Есть эксковатор Хундай R160.
Сколько будет стоить комп. диагностика? какой шлейф , с какими параметрами комп., какая программа, и сколько все эти вещи стоить будут???

Ответить с цитированием
Ответить

Обсуждают сейчас



Здесь присутствуют: 11 (пользователей: 0 , гостей: 11)
 


Популярные разделы в Торговой Системе Экскаватор Ру
Экскаваторы Снегоуборочная техника Погрузчики Самосвалы Штабеллеры Краны подъемные Складские погрузчики Мини-техника Бетононасосы Подъемники строительные Дробильно-сортировочное оборудование
Текущее время: 22:15. Часовой пояс GMT +3.
Как это работает?
Оставьте заявку, и исполнители сами позвонят вам!
1. Подробно опишите заявку
Это позволит избежать вопросов и быстрее получить самые выгодные отклики.
2. Оставьте контактные данные
чтобы продавцы смоглинаправить вам предложения
3. Получайте самое выгодное предложение и выбирайте исполнителя
Спасибо, понятно :)
+
Хотите быстро купить спецтехнику или взять ее в аренду? Разместите заявку!
С Вами свяжутся!
Ошибка отправки сообщения
отправить сообщение